Строительство забора из профнастила 160 м

  • 05 февраля 2015, 18:12
  • 1380
  • 25
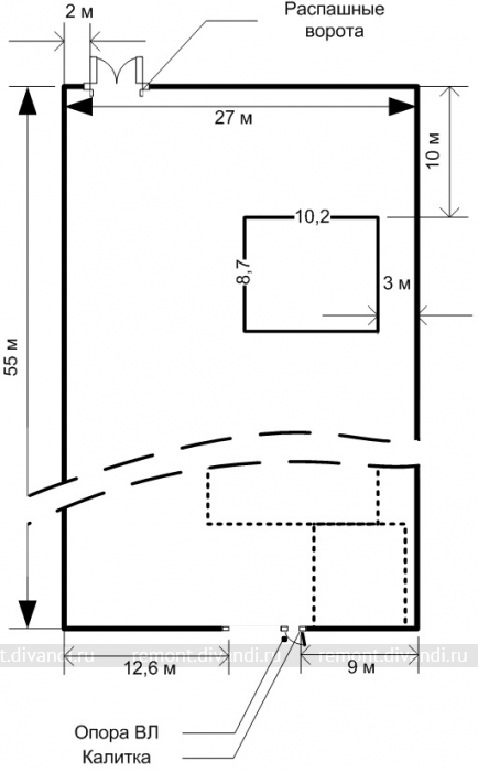
Необходимо построить забор из профнастила по периметру прямоугольного участка 27х55 в с Косулино. На участке нет строений, есть 220В. На первом этапе необходимо построить "скелет" (установка столбов, бетонирование, приваривание прожилин, покраска, установка калитки, ворот). На втором этапе необходимо произвести монтаж профнастила.
Екатеринбург

Когда надо сделать: февраль 2015

Приоритет: частникам или фирмам, не важно

Бюджет: сравню предложения

Заявка закрыта

Добавить заявку на строительство забора

Размещение заявки бесплатное. Отменить публикацию можно в любое время.
  • Создайте заявку
    Опишите какие работы необходимо сделать.
  • Получайте предложения
    Мастера вышлют вам цены на свои услуги.
  • Выбирайте мастера
    Сравнивайте цены, читайте отзывы, связывайтесь напрямую.
В нашей базе более 1000 бригад и фирм

Новые заявки

    • 10 ноября, 07:13
    • Екатеринбург
    Требуется опытная бригада специалистов для отделки коттеджа. Перечень работ: финишная шпатлевка, грунтовка стен, наклейка обоев, декоративная штукатурка. 89028757444 Сергей. Объем стен - 500 м2
    • 12 сентября, 18:23
    • Екатеринбург
    пристройка кухни (ш5 *д2) 10 м2 к каркасному домику
    установитъ камин для обогрева + обложка кирпичём
    оформитъ мансарду (решаитъ по ходу вопрос стен мансарды)
    перекрытъ крышу (старая совсем не годится)
    утепление стен (мин ватой + сайдинг)

    Убедителъная просъба составитъ грамотно смету, все нюансы по расходным материалам решаем через почту до составления договорана выполнение работ чтобы не получилосъ никаких "нежданчиков"
    • 01 сентября, 20:15
    • Екатеринбург
    Буфет старый, деревянный. Ящики были на направляющих, которые пришли в негодность. Надо установить новые. Мы пытались своими силами, но что-то пошло не так )))
    • 25 августа, 22:23
    • Екатеринбург
    Требуются каменщики
    По оплате кладка блока (240)-3000-3500куб
    Условия работы:
    * График: 5/2 (с 9:00 до 18:00, обед 1-1,5часа)
    * Стабильная, конкурентная заработная плата
    * Оплата по результатам работы
    Место работы:
    ТЦ «Золотой», ул. Крестинского, 60
    • 09 августа, 08:52
    • Екатеринбург
    Ремонт ванной комнаты под ключ, демонтаж напольной плитки от застройщика, демонтаж межкомантной двери. Монтаж межкомнатной двери,
    Монтаж теплого пола, монтаж кафельной плитки на стены и пол, экран под ванну из керамической плитки, монтаж разводки от пола под водяной полотенцесушитель, монтаж полотенцесушителя, добавление одной розетки.
    Монтаж сантехники (ванна, инсталляция унитаз, подвесная раковина с двумя ящиками, смесители 2 шт, зеркало с подсветкой, 2 шт полки) Шпатлевка покраска потолка, или натяжной потолок, монтаж потолочного светильника... Рассмотрю прямые предложения специалистов с опытом и хорошими отзывами по цене и срокам выполнения ремонта. Видео по запросу, тем кому интересна данная работа