Выполнить монолитный ленточный фундамент

  • 11 марта 2016, 13:36
  • 2097
  • 18
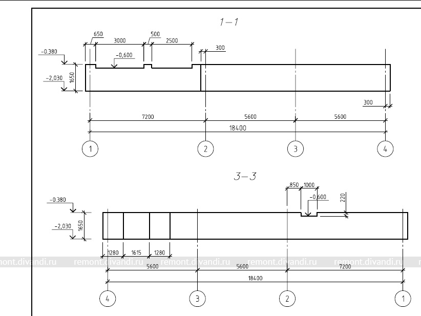
Необходимо выполнить монолитный ленточный фундамент для строительство 2-ух этажного дома. Район строительства - 20 км от Екатеринбурга по Челябинскому тракту (район не доезжая поселка Сысерть). Имеется рабочий проект раздела "КЖ". Примерный объем:
1. Объем бетона 68,5м3;
2. Объем арматуры 1,88тн.
Прошу предоставить коммерческое предложение по стоимости материалов и работ изготовления данного типа фундамента. Дополнительно отдельной строкой прошу указать стоимость материалов и работ по гидроизоляции и утеплению фундамента.
Заранее благодарен.
Сысерть

Когда надо сделать: август-сентябрь 2015

Приоритет: частникам или фирмам, не важно

Бюджет: сравню предложения

Заявка закрыта

Добавить заявку на строительство фундамента

Размещение заявки бесплатное. Отменить публикацию можно в любое время.
  • Создайте заявку
    Опишите какие работы необходимо сделать.
  • Получайте предложения
    Мастера вышлют вам цены на свои услуги.
  • Выбирайте мастера
    Сравнивайте цены, читайте отзывы, связывайтесь напрямую.
В нашей базе более 1000 бригад и фирм

Новые заявки

    • 10 ноября, 07:13
    • Екатеринбург
    Требуется опытная бригада специалистов для отделки коттеджа. Перечень работ: финишная шпатлевка, грунтовка стен, наклейка обоев, декоративная штукатурка. 89028757444 Сергей. Объем стен - 500 м2
    • 12 сентября, 18:23
    • Екатеринбург
    пристройка кухни (ш5 *д2) 10 м2 к каркасному домику
    установитъ камин для обогрева + обложка кирпичём
    оформитъ мансарду (решаитъ по ходу вопрос стен мансарды)
    перекрытъ крышу (старая совсем не годится)
    утепление стен (мин ватой + сайдинг)

    Убедителъная просъба составитъ грамотно смету, все нюансы по расходным материалам решаем через почту до составления договорана выполнение работ чтобы не получилосъ никаких "нежданчиков"
    • 01 сентября, 20:15
    • Екатеринбург
    Буфет старый, деревянный. Ящики были на направляющих, которые пришли в негодность. Надо установить новые. Мы пытались своими силами, но что-то пошло не так )))
    • 25 августа, 22:23
    • Екатеринбург
    Требуются каменщики
    По оплате кладка блока (240)-3000-3500куб
    Условия работы:
    * График: 5/2 (с 9:00 до 18:00, обед 1-1,5часа)
    * Стабильная, конкурентная заработная плата
    * Оплата по результатам работы
    Место работы:
    ТЦ «Золотой», ул. Крестинского, 60
    • 09 августа, 08:52
    • Екатеринбург
    Ремонт ванной комнаты под ключ, демонтаж напольной плитки от застройщика, демонтаж межкомантной двери. Монтаж межкомнатной двери,
    Монтаж теплого пола, монтаж кафельной плитки на стены и пол, экран под ванну из керамической плитки, монтаж разводки от пола под водяной полотенцесушитель, монтаж полотенцесушителя, добавление одной розетки.
    Монтаж сантехники (ванна, инсталляция унитаз, подвесная раковина с двумя ящиками, смесители 2 шт, зеркало с подсветкой, 2 шт полки) Шпатлевка покраска потолка, или натяжной потолок, монтаж потолочного светильника... Рассмотрю прямые предложения специалистов с опытом и хорошими отзывами по цене и срокам выполнения ремонта. Видео по запросу, тем кому интересна данная работа